Programová tvorba technickej grafiky
#

Lenka Bartošová, Peter Fabo

Peter Jančich, Michal Kuba

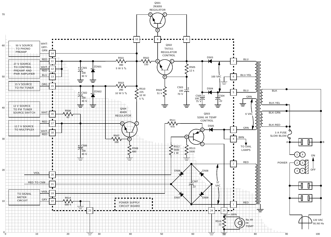
_images/heatkit.png

LAB - 411 Production

Verzia 0.65 / Feb. 2026


Obsah #

Anotácia / Annotation #

Autori/ Authors #

Ing. Lenka Bartošová, PhD. #

RNDr. Peter Fabo, PhD. #

Ing. Peter Jančich #

Ing. Michal Kuba, PhD. #

Vydal / Published by #

Vydalo roku 2026 

LAB - 411 Production
FŠT-TNUNI
Ku kyselke 469
911 06 Trenčín
Slovensko

ISBN: xxx-xx-xxxxxx-x

Citovanie / How to cite#

ZENODO Record

Preklady / Translations #

Preklady do iných jazykov sú možné v zmysle licencie MIT uvedenej nižšie. V zmysle nariadenia Európskeho parlamentu a Rady (EÚ) 2024/1689 z 13. júna 2024 autori tohoto diela nepovolujú využitie tohoto diela a ani jeho častí pre použitie v oblasti umelej inteligenice žiadnym aktuálnym ako aj budúcim spôsobom.

Translations into other languages ​​are possible under the terms of the MIT license listed below. In accordance with Regulation (EU) 2024/1689 of the European Parliament and of the Council of 13 June 2024, the authors of this work do not authorize the use of this work or any part of it for use in the field of artificial intelligence in any current or future manner.

Titulný obrázok / Cover Image #

Titulný obrázok je vygenerovaný na základe podkladov uvedených ako príklad použitia v distribúcii programu Circuit Macros

The cover image is generated based on the materials provided as an example of use in the distribution of the Circuit Macros program.

Licencie / Licenses #

Zdrojové kódy / Source code #

Zdrojové kódy sú dostupné pod licenciou MIT uvedenou nižšie na URL adrese / The source codes are available under the MIT license at the URL below

https://github.com/lab-411/Technicka_Grafika

Publikácia #

Publikácia Programová tvorba technickej grafiky je vydaná pod licenciou MIT

Copyright © 2026 LAB-411 Team

Permission is hereby granted, free of charge, to any person obtaining a copy 
of this software and associated documentation files (the “Software”), to deal 
in the Software without restriction, including without limitation the rights 
to use, copy, modify, merge, publish, distribute, sublicense, and/or sell 
copies of the Software, and to permit persons to whom the Software is furnished 
to do so, subject to the following conditions:

The above copyright notice and this permission notice shall be included in all 
copies or substantial portions of the Software.

THE SOFTWARE IS PROVIDED “AS IS”, WITHOUT WARRANTY OF ANY KIND, EXPRESS OR IMPLIED, 
INCLUDING BUT NOT LIMITED TO THE WARRANTIES OF MERCHANTABILITY, FITNESS FOR 
A PARTICULAR PURPOSE AND NONINFRINGEMENT. IN NO EVENT SHALL THE AUTHORS OR COPYRIGHT 
HOLDERS BE LIABLE FOR ANY CLAIM, DAMAGES OR OTHER LIABILITY, WHETHER IN AN ACTION OF 
CONTRACT, TORT OR OTHERWISE, ARISING FROM, OUT OF OR IN CONNECTION WITH THE SOFTWARE 
OR THE USE OR OTHER DEALINGS IN THE SOFTWARE.

Použité programové vybavenie / Software #

Publikované na platforme Sphinx s využitím jazyka MyST Markdown, prostredia CircuitMacros a programovacieho jazyka Python v znení licencií uvedených nižšie.

Published on the Sphinx platform using the MyST Markdown language, the CircuitMacros environment, and the Python programming language under the terms of the licenses listed below.

Licencia k distribúcii programu CircuitMacros

* Circuit_macros Version 10.9, copyright (c) 2025 J. D. Aplevich under     *
* the LaTeX Project Public Licence in file Licence.txt. The files of       *
* this distribution may be redistributed or modified provided that this    *
* copyright notice is included and provided that modifications are clearly *
* marked to distinguish them from this distribution.  There is no warranty *
* whatsoever for these files.

Licencia k distribúcii programu Sphinx

Copyright (c) 2007-2025 by the Sphinx team (see AUTHORS file). All rights reserved.

Redistribution and use in source and binary forms, with or without modification, 
are permitted provided that the following conditions are met:

    Redistributions of source code must retain the above copyright notice, this list 
    of conditions and the following disclaimer.
    Redistributions in binary form must reproduce the above copyright notice, this list 
    of conditions and the following disclaimer in the documentation and/or other 
    materials provided with the distribution.

THIS SOFTWARE IS PROVIDED BY THE COPYRIGHT HOLDERS AND CONTRIBUTORS "AS IS" AND ANY 
EXPRESS OR IMPLIED WARRANTIES, INCLUDING, BUT NOT LIMITED TO, THE IMPLIED WARRANTIES 
OF MERCHANTABILITY AND FITNESS FOR A PARTICULAR PURPOSE ARE DISCLAIMED. IN NO EVENT 
SHALL THE COPYRIGHT HOLDER OR CONTRIBUTORS BE LIABLE FOR ANY DIRECT, INDIRECT, 
INCIDENTAL, SPECIAL, EXEMPLARY, OR CONSEQUENTIAL DAMAGES (INCLUDING, BUT NOT LIMITED TO, 
PROCUREMENT OF SUBSTITUTE GOODS OR SERVICES; LOSS OF USE, DATA, OR PROFITS; OR BUSINESS 
INTERRUPTION) HOWEVER CAUSED AND ON ANY THEORY OF LIABILITY, WHETHER IN CONTRACT, STRICT 
LIABILITY, OR TORT (INCLUDING NEGLIGENCE OR OTHERWISE) ARISING IN ANY WAY OUT OF 
THE USE OF THIS SOFTWARE, EVEN IF ADVISED OF THE POSSIBILITY OF SUCH DAMAGE.

Citácia MyST Markdown

Rowan Cockett, Franklin Koch, Steve Purves, Angus Hollands, Yuxi Wang, Chris Holdgraf, 
Dylan Grandmont, Stefan van der Walt, Andrea, Jan-Hendrik Müller, Spencer Lyon, 
Cristian Le, Jim Madge, Thierry Parmentelat, wwx, Sugan Reden, Yuanhao Geng, Ryan Lovett, 
Mikkel Roald-Arbøl,Nicolas M. Thiéry. 
(2025). jupyter-book/mystmd: mystmd@1.6.0. Zenodo. 10.5281/ZENODO.14805610

Kontakt na autorov, diskusia a pripomienky
Contact the autors, discussion and comments
#

https://github.com/lab-411/Technicka_Grafika/discussions

Poďakovanie/ Acknowledgements #

Táto publikácia bola vytvorená s podporou grantovej agentúry VEGA, projekt pod názvom “Interpretácia periodických a neperiodických deformácií zemskej kôry v oblasti Západných Karpát na základe paralelných meraní horizontálnych posunutí.” (projekt číslo 2/0013/25).

This publication was supported by the VEGA grant agency, project under the name “Interpretation of periodic and non-periodic deformations of the Earth’s crust in the Western Carpathians based on parallel measurements of horizontal displacements.” (project number 2/0013/25).