Technická grafika

Technická grafika #

Počiatky zobrazovania predmetov, nástrojov a jednoduchýcj mechanizmov siahajú do prvpočiatkov vývoja človeka. Rozvoj techniky v 16-tom storočí, v období renesancie, si vynútil aj pokrok v zobrazovaní poznatkov zo širokého spektra vedomostí, od techniky, geológie, kartografie, medicíny. Príkladom vtedajšej úrovne zobrazovania mechanických sústav môžu byť nákresy geniálneho vynálezca Leonarda da Vinci.

_images/tank.jpg

Obr. 1 Nákresy návrhov bojových strojov od Leonarda da Vinci, zdroj.#

Vizuálna reprezentácia ideí, nápadov, diagramov, elektrických, mechanických a hydraulických schém je základom komunikácie v technickej praxi. Existuje množstvo typov zobrazení, veľmi často s definovanými pravidlami a normami, ktoré umožňujú ich zrozumiteľnosť na medzinárodnej úrovni. V technickej praxi sú pre výkresovú dokumentáciu zavedené štandardy podľa noriem ISO, v elektrotechnickej praxi sú grafické značky, symboly prvkov obvodov a zapojení predmetom databázy IEC.

Okrem štandardizovaných typov diagramov existuje množstvo grafických reprezentácií rôznych štrukturálnych vzťahov, časových relácií a sekvencií pre rôzne oblasti vedy a techniky.

_images/prg_101.png

Obr. 2 Diagram tried v grafickom jazyku UML (Unified Modeling Language) vygenerovaný pomocou programu plantuml.#

CircuitMacros #

Prostredie CircuitMacros je súbor open-source programov pre kreslenie elektrických zapojení. Je určený výhradne pre tvorbu zapojení, diagramov a obrázkov pre publikácie a prezentácie, nie je učený pre vytváranie schém a ich ďaľšie použitie v aplikáciách pre návrhy, výpočty, simulácie zapojení a kreslenie plošných spojov (EDA). Zapojenia, diagramy a schémy sa vytvárajú pomocou programovania v skriptovacom jazyku dpic, pre jednoduchšie kreslenie zložitejších značiek elektronických prvkov sú použité makrá. Tento spôsob vytvárania diagramov a schém pomocou skriptov je základom veľkej skupiny programov, medzi ktoré patrí Graphviz, DOT, MetaPost, Pikchr a ďaľšie.

Listing 1 : Program v CircuitMacros#
    .PS
    scale=2.54
    cct_init
P1: circle rad .12; {"$V_{in}$" at P1.n above;}    # prikaz jazyka dpic
    line right_ 0.25;
R1: resistor(2,,E); llabel(,R_1,); rlabel(,100,);  # makro pre zobrazenie rezistora
D1: dot;
C1: capacitor(down_ 1.5); rlabel(,C_1,); llabel(,1 \mu F,);
    gnd;
    line from D1 right_ 1;
P2: circle rad .12; {"$V_{out}$" at P2.n above;}
   .PE
_images/cm_010a.png

Obr. 3 Obvod vytvorený programom v CircuitMacros.#

Vlastnosti#

  • Zapojenia je možné vytvárať programovaním skriptov v jednoduchom prostredí pycirkuit, ktoré obsahuje editor a prehliadač vytvorených obrázkov.

  • CircuitMacros obsahuje rozsiahlu knižnicu makier pre kreslenie prvkov zapojení naprogramovaných pomocou jednoduchého jazyka gpic podobného jazyku C. Zobrazenie prvkov je možné upravovať v širokých medziach pomocou parametrov makier.

  • V skriptoch je možné používať makrá spolu s príkazmi jazyka dpic, je možné jednoducho vytvárať vlastné makrá a knižnice.

  • Obrázky sú generované vo vysokej profesionálnej kvalite v rastrovej grafike (.png, jpeg), vektorovej grafike (.ps, .svg …) alebo v tvare makier tikz pre priame vloženie do dokumentov systému LaTeX.

  • Makrá z knižnice CircuitMacros ako aj programy pre ich spracovanie, generovanie obrázkov a publikovanie sú open source a voľne dostupné.

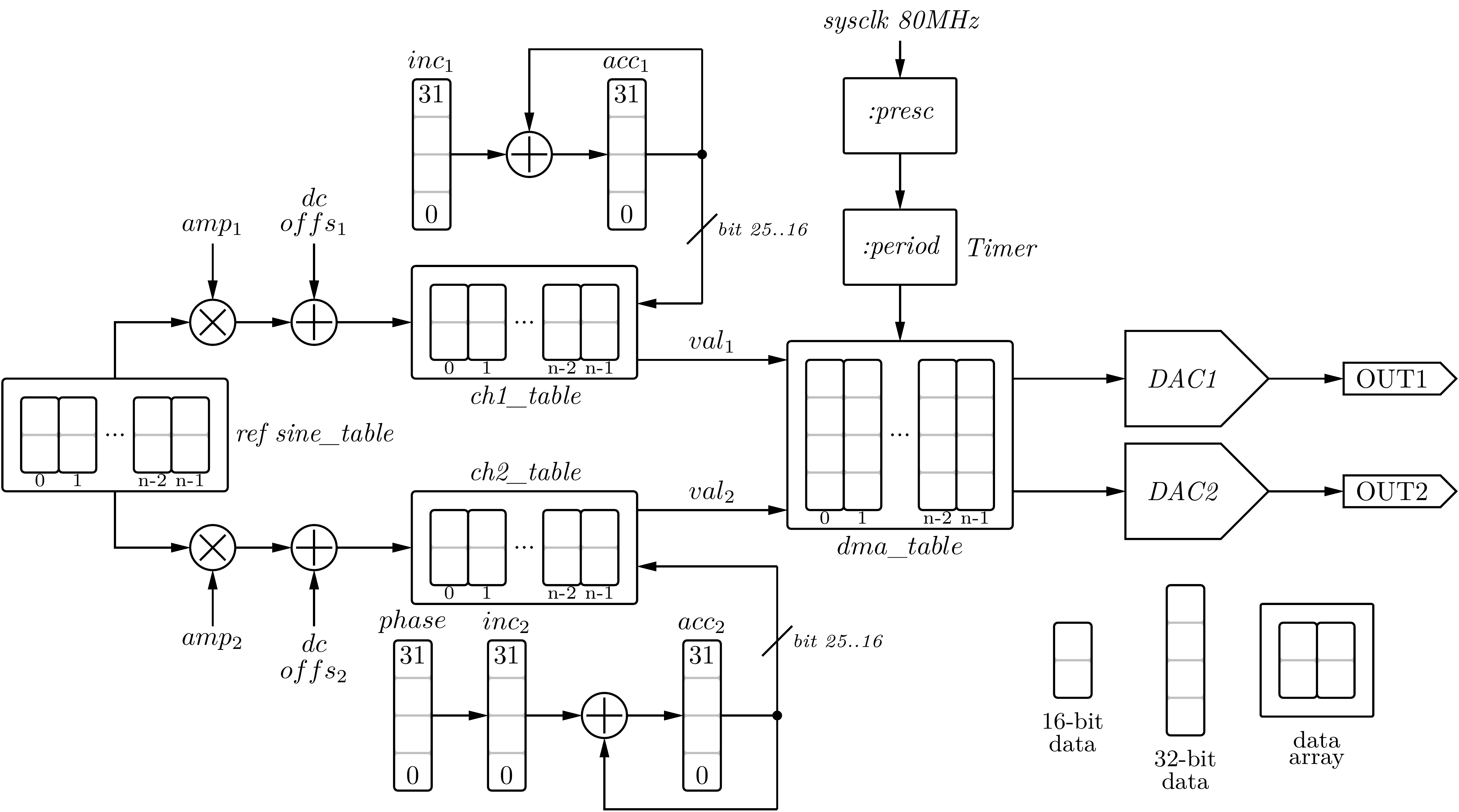
_images/cm_116.png

Obr. 4 Príklad použitia CircuitMacros pre zobrazenie vnútornej štruktúry dvojkanálového generátora priamej digitálnej syntézy (DDS) použitého v kapacitnom extenzometri v projekte sledovania slapových síl v zemskej kôre [1].#

Poznámka

Táto publikácia nepokrýva všetky možnosti, ktoré poskytuje platforma CicuitMacros. Podrobnejšie informácie sú dostupné v dokumentácii priebežne aktualizovanej na stránkach projektu.